Y-H系列船用三相异步电动机
YY-H系列船用单相异步电动机
Y-H系列船用小型三相异步电动机
YT2-H系列船用轴流风机用三相异步电动机
YYT2-H系列船用轴流风机用单相异步电动机
YBX3-H 系列船用高效率隔爆型三相异步电动机
YBTX-H 系列船用风机用隔爆型三相异步电动机
YD-H系列船用多速三相异步电动机
YT2 系列轴流风机用三相异步电动机
YVF2-H系列船用变频调速三相异步电动机
JZ2-H系列船用起重用本相异步电动机
YZ- H系列船用起重用三相异步电动机德州德力电机有限公司
公司地址:山东省德州市开发区东方红路与崇德五大道交汇以南
公司电话:0534-2668511
业务联系:张经理
联系电话:13011762813
公司邮箱:dzdelidj@163.com
| 型 号 | 额定功(kW) | 额定电流(A) | 额定转(r/min) | 工作制 | 直流制动器 | |||||
| 380V 50Hz | 440V 60Hz | 380V 50Hz | 440V 60Hz | 380V 50Hz | 440V 60Hz | 电 压 (V) | 电 流 (A) | 制动力矩(N·m) | ||
| YZ112S-4-H | 1.5 | 1.8 | 4.3 | 4.5 | 1360 | 1632 | S2-30min | 110 | 1.37 | 33 |
| YZ112M-4-H | 2.2 | 2.5 | 6 | 5.92 | 1360 | 1630 | ||||
| YZ112L-4-H | 3.7 | 4 | 9.6 | 8.98 | 1360 | 1630 | ||||
| YZ112S-6-H | 1.1 | 1.2 | 3.5 | 3.31 | 890 | 1068 | ||||
| YZ112M-6-H | 1.5 | 1.8 | 4.65 | 4.82 | 890 | 1068 | ||||
| YZ112L-6-H | 2.2 | 2.5 | 6.6 | 6.51 | 890 | 1068 | ||||
| YZ132M1-4-H | 5.5 | 6.3 | 13.4 | 13.3 | 1356 | 1670 | 1.56 | 72 | ||
| YZ132M2-4-H | 7.5 | 8.5 | 18.5 | 17.88 | 1360 | 1690 | ||||
| YZ132S-6-H | 3.7 | 4 | 10.5 | 9.85 | 940 | 1130 | ||||
| YZ132M-6-H | 5.5 | 6.3 | 15.3 | 15.1 | 940 | 1130 | ||||
| YZ160S-6-H | 7.5 | 8.5 | 19.73 | 19.31 | 940 | 1140 | 1.61 | 160 | ||
| YZ160L-6-H | 11 | 13 | 26.8 | 27.34 | 930 | 1130 | ||||
| YZ180L-6-H | 15 | 18.5 | 36 | 38.42 | 960 | 1152 | 2.24 | 203 | ||
| YZ200M-6-H | 18.5 | 22 | 43.9 | 45.13 | 950 | 1140 | 2.23 | 260 | ||
| YZ225S-6-H | 22 | 25 | 50.97 | 50.03 | 950 | 1140 | 2.16 | 399 | ||
| 型号 | 额定功率(kW) | 额定电流 (A) | 额定转速 (r/min) | 工作制 | 直流制动器 | |||||
| 380V/50Hz | 440V/60Hz | 380V/50Hz | 440V/60Hz | 380V/50Hz | 440V/60Hz | 电压(V) | 电流 (A) | 制动力矩(N·m) | ||
| YZ132M-4/12-H | 3/1.1 | 3.5/1.2 | 8.3/7.6 | 8.4/8.6 | 1360/430 | 1660/530 | S2-30/10min | 110 | 1.56 | 72 |
| YZ132L-4/12-H | 4/1.5 | 4.5/1.7 | 10.3/9.1 | 10/8.9 | 1400/430 | 1700/530 | ||||
| YZ160L-4/12-H | 6.3/2.2 | 7.5/2.5 | 15.4/11.9 | 16.2/11.7 | 1394/426 | 1690/530 | 1.61 | 160 | ||
| YZ180L-4/12-H | 8.5/3.5 | 10/4.0 | 19/18 | 20.5/17.7 | 1400/438 | 1690/520 | 2.24 | 203 | ||
| YZ180L-4/16-H | 11/3 | 13/3.5 | 24/16 | 26.8/16.7 | 1424/328 | 1742/380 | S2-30/15min | |||
| YZ200M-4/16-H | 15/4 | 17/4.5 | 32.8/24.1 | 33.2/23.4 | 1420/340 | 1740/400 | 2.23 | 260 | ||
| YZ200L-4/16-H | 18.5/5.5 | 22/6.3 | 40.4/32.6 | 42.4/32.3 | 1420/340 | 1740/410 | ||||
| YZ200S-4/8/16-H | 9/9/4.2 | 10/10/4.7 | 21.4/24.7/37.3 | 20.5/23.7/36.4 | 1435/684/324 | 1738/837/406 | S2-10/30/5min | 110 | 2.23 | 260 |
| YZ200L-4/8/16-H | 12.5/12.5/5.7 | 14/14/6.5 | 29.3/34.3/49.5 | 28.4/33.2/49.4 | 1437/689/330 | 1733/840/410 | ||||
| YZ225S-4/8/16-H | 16.8/16.8/8 | 19/19/9.1 | 38.9/46.2/67.6 | 38/45/67.9 | 1420/683/333 | 1723/835/413 | 2.16 | 399 | ||
| YZ225L-4/8/16-H | 22.5/22.5/10.6 | 25/25/12 | 51.5/60.3/85.6 | 49.4/57.9/86.3 | 1422/686/334 | 1725/838/415 | ||||
| YZ250S-4/8/16-H | 30/30/14.5 | 33.5/33.5/16 | 63.8/71.3/105.5 | 61.6/68.7/103.5 | 1410/680/336 | 1713/832/415 | 2.65 | 876 | ||
| YZ250M-4/8/16-H | 42/42/20 | 46/46/22 | 86.3/95/112.6 | 81.6/89.8/110 | 1410/676/334 | 1707/830/414 | ||||
| YZ280S-4/8/16-H | 56/56/27 | 63/63/30 | 114/120.6/147.5 | 111.2/117.2/145 | 1414/694/345 | 1717/844/423 | 2.45 | 1550 | ||
| YZ280L-4/8/16-H | 75/75/36 | 84/84/40 | 154/161.5/182 | 149/156.2/179.5 | 1427/692/345 | 1729/843/423 | ||||
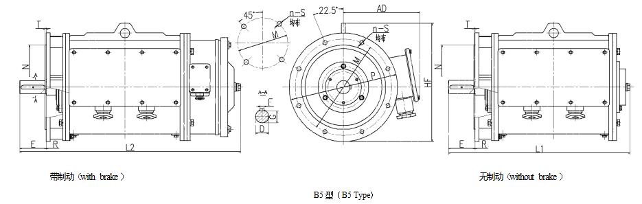
| 机座号 Frame Size | 外形及安装尺寸 Mounting and Overall Dimension | 重量 Weight(kg) | |||||||||||||||
| D | E | F | G | M | N | P | R | S | T | n | AD | HF | L1 | L2 | L1 | L2 | |
| 112S | 28 | 60 | 8 | 24 | 265 | 230 | 300 | 0+0.25 0 | 15 | 4 | 4 | 215 | 335 | 315 | 440 | 51 | 73 |
| 112M | 340 | 465 | 54 | 74 | |||||||||||||
| 112L | 360 | 490 | 60 | 86 | |||||||||||||
| 132S | 38 | 80 | 10 | 33 | 225 | 350 | 425 | 545 | 63 | 99 | |||||||
| 132M | 455 | 590 | 85 | 122 | |||||||||||||
| 132L | 485 | 615 | 86 | ||||||||||||||
| 160S | 42 | 110 | 12 | 37 | 300 | 250 | 350 | 19 | 5 | 258 | 390 | 510 | 650 | 120 | 145 | ||
| 160L | 590 | 740 | 150 | 175 | |||||||||||||
| 180L | 48 | 14 | 42.5 | 350 | 300 | 400 | 275 | 420 | 660 | 810 | 220 | 260 | |||||
| 200M | 400 | 350 | 450 | 8 | 300 | 490 | 240 | 330 | |||||||||
| 200L | 706 | 846 | 295 | 380 | |||||||||||||
| 225S | 55 | 16 | 49 | 500 | 450 | 550 | 325 | 550 | 730 | 890 | 325 | 426 | |||||
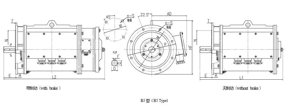
| 机座号 | 外形及安装尺寸 | 重量 (kg) | |||||||||||||||
| D | E | F | G | M | N | P | R | S | T | n | AD | HF | L1 | L2 | L1 | L2 | |
| 112S | 28 | 60 | 8 | 24 | 265 | 230 | 300 | 0+0.25 0 | 15 | 4 | 4 | 215 | 335 | 315 | 440 | 51 | 73 |
| 112M | 340 | 465 | 54 | 74 | |||||||||||||
| 112L | 360 | 490 | 60 | 86 | |||||||||||||
| 132S | 38 | 80 | 10 | 33 | 225 | 350 | 425 | 545 | 63 | 99 | |||||||
| 132M | 455 | 590 | 85 | 122 | |||||||||||||
| 132L | 485 | 615 | 86 | ||||||||||||||
| 160S | 42 | 110 | 12 | 37 | 300 | 250 | 350 | 19 | 5 | 258 | 390 | 510 | 650 | 120 | 145 | ||
| 160L | 590 | 740 | 150 | 175 | |||||||||||||
| 180L | 48 | 14 | 42.5 | 350 | 300 | 400 | 275 | 420 | 660 | 810 | 220 | 260 | |||||
| 200M | 400 | 350 | 450 | 8 | 300 | 490 | 240 | 330 | |||||||||
| 200L | 706 | 846 | 295 | 380 | |||||||||||||
| 225S | 55 | 16 | 49 | 500 | 450 | 550 | 325 | 550 | 730 | 890 | 325 | 426 | |||||
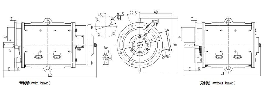
| 机座号 | 外形及安装尺寸 | 重量 (kg) | |||||||||||||||
| D | E | F | G | M | N | P | R | S | T | n | AD | HF | L1 | L2 | L1 | L2 | |
| 112S | 28 | 60 | 8 | 24 | 265 | 230 | 300 | 0+0.25 0 | 15 | 4 | 4 | 215 | 360 | 315 | 440 | 51 | 73 |
| 112M | 340 | 465 | 54 | 74 | |||||||||||||
| 112L | 360 | 490 | 60 | 86 | |||||||||||||
| 132S | 38 | 80 | 10 | 33 | 225 | 385 | 425 | 545 | 63 | 99 | |||||||
| 132M | 455 | 590 | 85 | 122 | |||||||||||||
| 132L | 485 | 615 | 86 | ||||||||||||||
| 160S | 42 | 110 | 12 | 37 | 300 | 250 | 350 | 19 | 5 | 258 | 430 | 510 | 650 | 120 | 145 | ||
| 160L | 590 | 740 | 150 | 175 | |||||||||||||
| 180L | 48 | 14 | 42.5 | 350 | 300 | 400 | 275 | 450 | 660 | 810 | 220 | 260 | |||||
| 200M | 400 | 350 | 450 | 8 | 300 | 510 | 240 | 330 | |||||||||
| 200L | 706 | 846 | 295 | 380 | |||||||||||||
| 225S | 55 | 16 | 49 | 500 | 450 | 550 | 325 | 550 | 730 | 890 | 325 | 426 | |||||
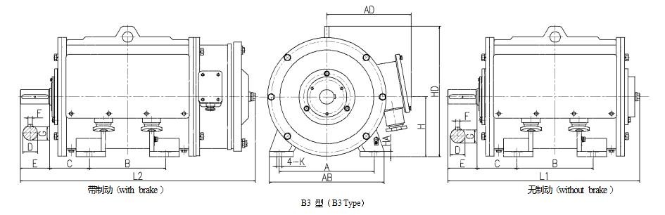
| 机座号 | 外形及安装尺寸 | 重量(kg) | |||||||||||||||
| A | B | C | D | E | F | G | H | K | AB | AD | HA | HD | L1 | L2 | L1 | L2 | |
| 200S | 318 | 228 | 133 | 48 | 110 | 14 | 42.5 | 200 | 19 | 398 | 300 | 20 | 470 | 660 | 790 | 249 | 335 |
| 200L | 305 | 740 | 870 | 280 | 385 | ||||||||||||
| 225S | 356 | 286 | 149 | 55 | 16 | 49 | 225 | 436 | 325 | 520 | 765 | 925 | 330 | 405 | |||
| 225L | 356 | 835 | 995 | 390 | 465 | ||||||||||||
| 250S | 406 | 311 | 168 | 65 | 140 | 18 | 58 | 250 | 24 | 506 | 400 | 23 | 600 | 845 | 1030 | 600 | 690 |
| 250M | 349 | 880 | 1060 | 700 | 850 | ||||||||||||
| 280S | 457 | 368 | 190 | 75 | 20 | 67.5 | 280 | 557 | 430 | 660 | 910 | 1125 | 800 | 880 | |||
| 280L | 457 | 1000 | 1215 | 1010 | 1200 | ||||||||||||
| 机座号 | 外形及安装尺寸 | 重量(kg) | |||||||||||||||
| D | E | F | G | M | N | P | R | S | T | n | AD | HF | L1 | L2 | L1 | L2 | |
| 200S | 48 | 110 | 14 | 42.5 | 350 | 300 | 400 | 0+0.25 0 | 19 | 5 | 4 | 300 | 490 | 660 | 790 | 249 | 335 |
| 200L | 740 | 870 | 280 | 385 | |||||||||||||
| 225S | 55 | 16 | 49 | 400 | 350 | 450 | 18 | 8 | 325 | 510 | 765 | 925 | 330 | 405 | |||
| 225L | 835 | 995 | 390 | 465 | |||||||||||||
| 250S | 65 | 140 | 18 | 58 | 500 | 450 | 550 | 400 | 585 | 845 | 1030 | 600 | 690 | ||||
| 250M | 880 | 1060 | 700 | 850 | |||||||||||||
| 280S | 75 | 20 | 67.5 | 430 | 670 | 910 | 1125 | 800 | 880 | ||||||||
| 280L | 1000 | 1215 | 1010 | 1200 | |||||||||||||
| 机座号 | 外形及安装尺寸 | 重量 (kg) | |||||||||||||||
| D | E | F | G | M | N | P | R | S | n | T | AD | HF | L1 | L2 | L1 | L2 | |
| 200S | 48 | 110 | 14 | 42.5 | 350 | 300 | 400 | 0 | 19 | 4 | 5 | 300 | 510 | 660 | 790 | 249 | 335 |
| 200L | 740 | 870 | 280 | 385 | |||||||||||||
| 225S | 55 | 16 | 49 | 400 | 350 | 450 | 18 | 8 | 325 | 540 | 765 | 925 | 330 | 405 | |||
| 225L | 835 | 995 | 390 | 465 | |||||||||||||
| 250S | 65 | 140 | 18 | 58 | 500 | 450 | 550 | 400 | 615 | 845 | 1030 | 600 | 690 | ||||
| 250M | 880 | 1060 | 700 | 850 | |||||||||||||
| 280S | 75 | 20 | 67.5 | 430 | 750 | 910 | 1125 | 800 | 880 | ||||||||
| 280L | 1000 | 1215 | 1010 | 1200 | |||||||||||||